摘 要: 在針對起重機安全監控系統過程中, 常遇到多個操作控制站的聯鎖保護如何實現的問題, 由于檢規中沒有相關的檢驗項目要求, 根據檢驗過程中遇到控制系統和GB 6067暢1—2010 枟起重機械安全規程枠 的要求, 介紹如何實現規程中的聯鎖保護。
0引言
可在2 處或多處操作的起重機在倉庫及貨場碼頭最為常見, 由于實現了多處操作, 操作人員不受操作距離和現場環境的限制, 操作的準確性得到顯著提高, 同時對安全性也提出了新的要求。近期在起重機械安裝監督檢驗過程中, 常遇到多個操作控制站的聯鎖保護如何實現的問題, 由于TSG Q7016—2008 枟起重機械安裝改造重大維修監督檢驗規則枠 和 TSG Q7015—2008 枟 起重機械定期檢驗規則枠 中沒有相關的檢驗項目要求, 現根據檢驗過程中遇到控制系統和 GB 6067暢1—2010枟起重機械安全規程 第 1 部分: 總則枠的要求,介紹如何實現規程中的聯鎖保護。
針對2 處或多處操作的起重機, GB 6067暢1—參考文獻[1] GB 12352—2007 客運索道架空規范[S].2010 枟起重機械安全規程 第 1 部分: 總則枠 共有2 條規定。 7暢6 的規定是: 對于采用多個操作控制站控制1 臺起重機械的同一機構 ( 如司機室操縱和地面操縱), 應具有互鎖功能, 起重機安全監控系統在任何給定時間內只允許一個操作控制站工作。 應裝有顯示操作控制站工作狀態的裝置, 每個操作控制站均應設置緊急停止開關。 9暢5暢3 的規定是: 可在2 處或多處操作的起重機, 應有聯鎖保護, 以保證只能在1 處操作, 防止 2 處或多處同時都能操作。 7暢6是2 個控制點之間要求互鎖保護, 9暢5暢3 是2 個控制點之間要求聯鎖保護。
按照操作的安全要求, 應是聯鎖保護, 不必再要求互鎖。 實質上是一個控制點的控制電源和另一個控制點的控制電源的聯鎖控制關系, 一般采用轉換開關或繼電器接觸器完成。
1 采用轉換開關實現時, 以轉換開關所處位置優先
圖1 中, 操作S21, 第1 個控制點的控制電源接通, 同時斷開第2 個控制點的控制電源, 第1 個控制點可以操作, 第 2 個控制點不可以操作。 再操作圖1 的 S21, 第1 個控制點的控制電源斷開,同時接通第2 個控制點的控制電源, 第1 個控制點不可以操作, 第 2 個控制點可以操作。 操作位置的控制電源之間的聯鎖采用轉換開關的示意圖見圖1。
圖1 操作位置的控制電源之間的聯鎖采用轉換開關的示意
2 個操作位置控制電源不能同時得電, 不可以同時操作, 符合 GB 6067暢1—2010 第 9暢5暢3 和第7暢6 只能 1 處操作, 防止 2 處或多處同時都能操作的規定。
圖2 中, 遙控器接收器電源和手電門電源之間的聯鎖由旋轉開關S22 完成。 K01 是總電源接觸器。 S22 是轉換開關。 S22 處于圖中的原始位置,
這段導線與變壓器次級電源的 L 線相通, 手電門控制電源有電, 控制有效。 按動圖9暢5暢3 -2 的啟動按鈕S11, 總電源接觸器K01 得電, 對各個機構動力電源供電。 K01 (13、 14) 閉合, 遙控器接收器電源1 端子和變壓器次級電源的 L 線端子不相通,遙控器接收器電源0 和1 端子無電, 遙控器控制無效。
(21、 22) 斷開, 手電門控制電源 A1A2 這段導線與變壓器次級電源的 L 線斷開, 手電門控制電源斷電, 控制無效。 遙控器接收器電源 0 和變壓器次級電源的 N 線相通, 遙控器接收器電源 1 端子和變壓器次級電源的 L 線端子相通, 遙控器接收枟起重運輸機械枠 2015 (11)器電源有電, 遙控器控制有效。
遙控器接收器電源和手電門控制電源不能同時得電, 不可以同時操作, 符合 GB 6067暢1—2010第9暢5暢3 和第7暢6 只能1 處操作, 防止2 處或多處同時都能操作的規定。
2采用繼電器接觸器的觸點實現
2.1 某一個操作位置優先的控制線路圖3 中, -K01 是第1 個操作位置控制電源的接通接觸器; -K02 是第2 個操作位置控制電源的接通接觸器。 S11 是常開觸頭自動復位的按鈕,S12 為常閉觸頭自動復位的按鈕。
圖3 控制電源之間采用繼電器接觸器轉換的示意圖
按下S11, -K01 得電, 第1 個操作位置控制電源有電, 可以操作。 第 2 個操作位置控制電源 無電, 不可以操作。 按下 S12, -K01 失電, -K02 得電。 第 1 個操作位置控制電源不可以操作。 第 2 個操作位置控制電源無電, 可以操作。 制電源, 2 個操作位置控制電源不能同時得電, 不可以同時操作, 符合 GB6067暢1—2010 第 9暢5暢3 第 7暢6只能1 處操作, 防止2 處或多處同時都能操作的規 定。
這個線路以操作開關 S11、 S12 所在位置優先。 2個操作位置控制電源不能同時得電, 不可以 同時操作, 符合 GB 6067暢1—2010 第9暢5暢3 第7暢6 只能一處操作, 防止 2 處或多處同時都能操作的 規定。 這個控制線路2 個操作位置, 后操作優先。 任何一處操作位置操作結束, 不必按下停止按鈕,控制線路始終處于后操作優先的狀態。

圖4 中, 遙控器接收器電源和手電門電源之 間的聯鎖由繼電器接觸器9ZJ 完成。
圖5 先操作優先的參考控制線路示意圖
按下 S11, -K01 得電, 第 1 個操作位置控制電源有電, 可以操作。 此時按下 S12, -K02 不能得電, 第 2 個操作位置控制電源無電, 不可以圖4 遙控器接收器電源和手電門控制電源之間 操作。 , 按下 S13, -K01失電 。 重新恢復操作結束
采用接觸器轉換的示意圖 先操作優先的狀態。 此時, 按下 S12, -K02 得閉觸點) 斷開, 切斷遙控器接收器電源, 遙控器不可以操作。 手電門操作時, 9ZJ (23、 24) 閉合, 10ZJ 得電, 總電源接觸器K01 得電。
按下手電門停止按鈕 S22, 9ZJ 失電, 9ZJ(13、 14) (常開觸點) 斷開, 斷開手電門按鈕控手電門不可以操作。 9ZJ (11、 12)、 9ZJ(21、 22) (常閉觸點) 閉合, 接通遙控器接收器電源, 遙控器可以操作。 遙控器操作時, 操作遙控器, 使遙控器接收器電源 3 和 4 連通, 10ZJ 得電, 總電源接觸器 K01 得電。電, 總電源接觸器 K01 得電。手電門和遙控器 2 個操作位置不可以同時操 作, 符合 GB 6067暢1—2010 第9暢5暢3 第7暢6 只能1處操作, 防止 2 處或多處同時都能操作的規定。這個線路以手電門操作優先。
2.2 控制點之間先操作優先的控制線路
圖5 中, -K01 是第1 個操作位置控制電源的接通接觸器; -K02 是第2 個操作位置控制電源的接通接觸器。 第1 個操作位置上的按鈕S11 是自動復位的 (常開觸頭), S13 為自動復位的常閉觸頭按鈕。 第2 個操作位置上的按鈕S12 是自動復位的(常開觸頭), S14 為自動復位的常閉觸頭按鈕。
按下 S11, -K01 得電, 第 1 個操作位置控制電源有電, 可以操作。 此時按下 S12, -K02 不能得電, 第 2 個操作位置控制電源無電, 不可以操作。按下S13,-K01失電 。 重只能1 處操作, 防止2 處或多處同時都能操作的規定。 這個控制線路 2 個操作位置, 先操作優先,任何1 處操作位置操作結束, 必須按下停止按鈕,使控制線路重新恢復先操作優先的狀態。
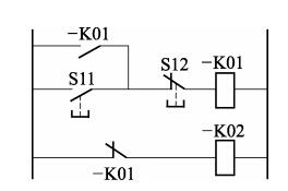
2.3 控制點之間后操作優先的控制線路
圖6 中, -K01 是第1 個操作位置控制電源的接通接觸器; K02 是第2 個操作位置控制電源的接通接觸器。 第1 個操作位置上的按鈕S11 是自動復位的 ( 常開觸頭)。 第2 個操作位置上的按鈕 S12是自動復位的 (常開觸頭)。
按下S11, -K01 得電, 第1 個操作位置控制電源有電, 可以操作。 第2 個操作位置控制電源無電, 不可以操作。 此時按下 S12, -K02 得電, -K01 失電, 第 2 個操作位置控制電源有電, 可以操作; 第1 個操作位置控制電源無電, 不可以操作。
2 個操作位置控制電源不能同時得電, 不可以同時操作, 符合 GB 6067暢1—2010 第9暢5暢3 和7暢6只能一處操作, 防止 2 處或多處同時都能操作的規定。 這個控制線路2 個操作位置, 后操作優先。起重機安全監控系統任何一處操作位置操作結束, 不必按下停止按鈕,控制線路始終處于后操作優先的狀態。
3結束語
隨著多個操作控制站的起重機越來越多地得到應用, 關于聯鎖保護的安全要求也將逐步引起重視。 目前許多小型企業在設計上對聯鎖保護的要求還存在一定的盲目性, 而檢規中又沒有相應的檢驗項目, 存在一定的安全隱患。 本文所做分析希望能得到討論和關注。